
D341H, D341W PN0.5 ~ PN1 Вентиляционный клапан-бабочка Регулирует расходное или отключающее устройство в качестве газовой среды в пыльных холодных или горячих газовых трубах для вентиляции и экологических проектов в металлургии, химической промышленности, строительных материалах, электростанциях и стекольной промышленности.
Использование продукта
D341H, D341W PN0.5 ~ PN1 Вентиляционный клапан-бабочка Регулирует расходное или отключающее устройство в качестве газовой среды в пыльном холодном или горячем газовом трубопроводе проектов вентиляции и защиты окружающей среды в металлургии, химической промышленности, строительных материалах, электростанциях и стекольной промышленности.
Особенности продукта
Конструкция вентиляционного дроссельного клапана сваривается с помощью пластины средней полосы и стальной пластины с короткими конструкциями, поэтому во время использования нет компонентов, таких как шатуны и болты внутри дроссельной заслонки, при этом не возникает никаких проблем с компонентами, поэтому частота отказов очень низкая. Очень проста в использовании. Является надежным клапаном. И поскольку его система уплотнения использует металлическое уплотнение, хотя эффект уплотнения не является гибким уплотнением, но срок службы больше, чем гибкое уплотнение, и имеет высокие температурные характеристики. Таким образом, в строительных материалах электроэнергия, металлургия и другие отрасли промышленности имеют широкий спектр применений. При средней температуре трубопровода не более 300 градусов может быть идеальное соединение и регулировка закрытия. Этот клапан-бабочка также может быть настроен в соответствии с потребностями клиента, очень удобен для пользователя.
Поскольку корпус дроссельной заслонки дроссельной заслонки и зазор между большими, есть достаточно места для расширения, поэтому в ходе его использования может эффективно предотвращать изменение температуры из-за теплового расширения и сокращения ситуации, он не будет производить бабочку Явление карты. Существует множество обычных приводов дроссельных заслонок, ручной привод, электропривод и пневматический привод и т. Д., Выбор очень большой комнаты. Из-за материальной причины такой дроссельный клапан также обладает характеристикой высокой температуры, когда переключатель не будет иметь трения, срок службы очень длинный. Вентилируемый дроссельный клапан - это клапан из сварной стальной пластины, он имеет характеристики небольшого размера и малой массы, прост в установке и из-за его небольшого сопротивления потоку, большого расхода, не будет зависеть от высокотемпературного расширения. Его вращающий момент мал, переключатель очень гибкий, поэтому он прост в эксплуатации. Любимец отрасли.
Инструкции по установке
Установка вентиляционной заслонки имеет решающее значение, поскольку установка напрямую связана с качеством используемого оборудования, поэтому мы должны быть осторожны при установке вентиляционного затвора и обращать внимание на соответствующие проблемы! Здесь Xiaotian Xiaobian возьмите всех вместе, чтобы исследовать его!
Конструкция вентиляционного дроссельного клапана спроектирована и изготовлена с использованием нового типа структуры, сваренной средней линией и короткой конструкционной стальной пластиной. Полезная модель имеет преимущества компактной конструкции, малой массы, удобной установки, малой устойчивости к потоку, большого расхода, избежания влияния высокотемпературного расширения и удобной работы. Вентиляционный дроссельный клапан без шатунов, болтов и т. Д., Надежный, длительный срок службы. Вентиляционный дроссельный клапан - это незакрытый клапан-бабочка, широко используемый в строительных материалах, металлургии, горном деле, электроэнергии и других процессах производства при средней температуре ≤ 300 ℃. Номинальное давление в трубопроводе 0,1 МПа, для подключения, открытия или закрытия или регулировки объема носителя.
Вентиляционные заслонки должны устанавливаться горизонтально на трубопроводах в целом и должны использоваться в пыльных холодных или горячих воздуховодах для проектов вентиляции и защиты окружающей среды в химической промышленности, строительных материалах, электростанциях и стекольной промышленности и использоваться в качестве устройства управления трубопроводом для регулирования расхода или обрезания газовой среды.
Материалы для запасных частей
|
Номинальное давление(MPa) |
0.05MPa |
Средняя температура |
-30℃~-350℃ |
|
Испытание прочности |
0.1MPa |
Подходящие среды |
Горячий и холодный ветер, дым |
|
Средний расход |
25m/s |
Скорость утечки |
3% |
Основная форма и размер соединения
|
DN |
D |
D1 |
L |
L1 |
L2 |
n-Фd |
b |
|
300 |
405 |
370 |
120 |
716 |
220 |
8-12 |
10 |
|
350 |
455 |
420 |
140 |
786 |
240 |
8-14 |
10 |
|
400 |
505 |
470 |
140 |
924 |
270 |
12-18 |
10 |
|
450 |
570 |
530 |
160 |
999 |
295 |
12-18 |
10 |
|
500 |
620 |
580 |
160 |
1079 |
325 |
12-18 |
10 |
|
600 |
720 |
680 |
180 |
1140 |
380 |
16-18 |
12 |
|
700 |
820 |
780 |
180 |
1240 |
430 |
16-18 |
12 |
|
800 |
920 |
880 |
200 |
1350 |
490 |
16-18 |
12 |
|
900 |
1040 |
990 |
200 |
1450 |
540 |
16-18 |
14 |
|
1000 |
1140 |
1090 |
220 |
1550 |
590 |
20-18 |
14 |
|
1100 |
1240 |
1190 |
220 |
1800 |
640 |
20-18 |
14 |
|
1200 |
1340 |
1290 |
240 |
1900 |
690 |
20-18 |
14 |
|
1300 |
1440 |
1390 |
240 |
2020 |
760 |
20-18 |
16 |
|
1400 |
1540 |
1490 |
260 |
2120 |
810 |
24-18 |
16 |
|
1500 |
1640 |
1590 |
260 |
2220 |
860 |
24-18 |
16 |
|
1600 |
1740 |
1690 |
280 |
2390 |
980 |
24-18 |
16 |
|
1700 |
1840 |
1790 |
280 |
2590 |
1030 |
28-22 |
16 |
|
1800 |
1940 |
1890 |
300 |
2709 |
1096 |
28-22 |
16 |
|
1900 |
2040 |
1990 |
300 |
2826 |
1146 |
32-22 |
16 |
|
2000 |
2150 |
2090 |
320 |
2926 |
1196 |
32-26 |
16 |
|
2200 |
2360 |
2300 |
340 |
3126 |
1296 |
36-26 |
16 |
|
2400 |
2560 |
2500 |
360 |
3326 |
1396 |
36-26 |
18 |
|
2600 |
2760 |
2700 |
380 |
3526 |
1496 |
40-26 |
18 |
|
2800 |
2960 |
2900 |
400 |
3726 |
1596 |
40-26 |
18 |
|
3000 |
3190 |
3110 |
400 |
4098 |
1698 |
44-30 |
18 |
|
3200 |
3390 |
3310 |
440 |
4338 |
1798 |
44-30 |
20 |
|
3400 |
3590 |
3510 |
440 |
4578 |
1898 |
48-30 |
20 |
|
3600 |
3790 |
3710 |
480 |
4780 |
1998 |
48-30 |
20 |
|
3800 |
4000 |
3910 |
480 |
5000 |
2098 |
52-30 |
22 |
|
4000 |
4210 |
4120 |
520 |
5200 |
2210 |
52-30 |
22 |
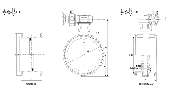
Изображение структуры
Если у вас есть какие-либо вопросы по поводу предложения или сотрудничества, пожалуйста, свяжитесь с нами по электронной почте ниже info@chlgvalve.com Или используйте следующую форму запроса. Наш торговый представитель свяжется с вами в течение 24 часов. Благодарим Вас за интерес к нашей продукции.