
H44W, H44Y type PN16 ~ PN250 stainless steel non-return valve for pressure 1.6 ~ 25MPa operating temperature -29 ~ +550 ℃ petroleum, chemical, pharmaceutical, fertilizer, power industry and other conditions of the pipeline, the applicable medium is water, Oil, steam, acidic medium and so on.
Product Usage
H44W, H44Y type PN16 ~ PN250 stainless steel non-return valve for pressure 1.6 ~ 25MPa operating temperature -29 ~ +550 ℃ petroleum, chemical, pharmaceutical, fertilizer, power industry and other conditions of the pipeline, the applicable medium is water, Oil, steam, acidic medium and so on.
Features
H44W, H44Y stainless steel non-return valve is the medium by the pipeline itself, the flow of force generated by the automatic opening and closing, is an automatic valve. Check valve for piping systems, its main role is to prevent media backflow, to prevent the pump and its drive motor reversal, as well as the container media release. Check valves can also be used on lines where the pressure may rise to a level above the pressure of the main system auxiliary system.
Performance parameters
|
model |
H44W-16P~250 |
|
|
Work pressure(MPa) |
1.6~25 |
|
|
proper temperature(℃) |
≤550 |
|
|
Suitable media |
Weak corrosive medium |
|
|
material |
Body, bonnet, disc |
Chrome nickel-titanium stainless steel |
|
Sealing surface |
Body sealed |
|
The main part material
|
Part Name |
Material name |
|||
|
Body |
A351 CF8 |
A351 CF8M |
A351 CF3 |
A351 CF3M |
|
cap |
A351 CF8 |
A351 CF8M |
A351 CF3 |
A351 CF3M |
|
Valve plate |
A351 CF8 |
A351 CF8M |
A351 CF3 |
A351 CF3M |
|
Sealing surface |
Body / STL |
Body / STL |
Body / STL |
Body / STL |
|
Valve shaft |
A182 F304 |
A182 F316 |
A182 F304L |
A182 F316L |
|
Gasket |
Flexible graphite |
Flexible graphite |
Flexible graphite |
Flexible graphite |
|
bolt |
A193 B8 |
A193 B8M |
A193 B8 |
A193 B8M |
|
Nut |
A194 8 |
A194 8M |
A194 8 |
A194 8M |
|
Operating temperature |
-46~425℃ |
-46~425℃ |
-46~425℃ |
-46~425℃ |
|
Suitable media |
Weak corrosive |
Weak corrosive |
Weak corrosive |
Weak corrosive |
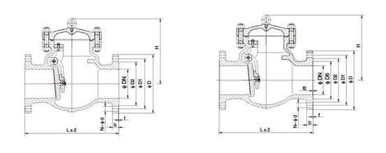
The main shape and connection dimensions
|
Nominal diameterDN |
The main dimensions and connection dimensions |
||||||
|
L |
D |
D1 |
D2 |
b |
Z-d |
H |
|
|
H44W-16P H44W-16R |
|||||||
|
25 |
160 |
115 |
85 |
65 |
16 |
4-14 |
100 |
|
32 |
180 |
135 |
100 |
78 |
16 |
4-18 |
105 |
|
40 |
200 |
145 |
100 |
85 |
16 |
4-18 |
115 |
|
50 |
230 |
160 |
125 |
100 |
16 |
4-18 |
135 |
|
65 |
290 |
180 |
145 |
120 |
18 |
4-18 |
142 |
|
80 |
310 |
195 |
160 |
135 |
20 |
8-18 |
165 |
|
100 |
350 |
215 |
180 |
155 |
20 |
8-18 |
180 |
|
125 |
400 |
245 |
210 |
185 |
22 |
8-18 |
210 |
|
150 |
480 |
280 |
240 |
210 |
24 |
8-23 |
233 |
|
200 |
500 |
335 |
295 |
265 |
26 |
12-23 |
304 |
|
250 |
550 |
405 |
355 |
320 |
30 |
12-25 |
348 |
|
300 |
650 |
460 |
410 |
375 |
30 |
12-25 |
390 |
|
350 |
750 |
520 |
470 |
435 |
34 |
16-25 |
430 |
|
400 |
850 |
580 |
525 |
485 |
36 |
16-30 |
468 |
|
H44W-25P H44W-25R |
|||||||
|
25 |
160 |
115 |
85 |
65 |
16 |
4-14 |
100 |
|
32 |
180 |
135 |
100 |
78 |
16 |
4-18 |
105 |
|
40 |
200 |
145 |
110 |
85 |
16 |
4-18 |
115 |
|
50 |
230 |
160 |
125 |
100 |
20 |
4-18 |
160 |
|
65 |
290 |
180 |
145 |
120 |
22 |
8-18 |
175 |
|
80 |
310 |
195 |
160 |
135 |
22 |
8-18 |
185 |
|
100 |
350 |
230 |
190 |
160 |
24 |
8-23 |
220 |
|
125 |
400 |
270 |
220 |
188 |
28 |
8-25 |
248 |
|
150 |
480 |
300 |
250 |
218 |
30 |
8-25 |
276 |
|
200 |
550 |
360 |
310 |
278 |
34 |
12-25 |
350 |
|
250 |
650 |
425 |
370 |
332 |
36 |
12-30 |
410 |
|
300 |
750 |
485 |
430 |
390 |
40 |
16-30 |
430 |
|
350 |
850 |
550 |
490 |
448 |
44 |
16-34 |
518 |
|
400 |
950 |
610 |
550 |
505 |
48 |
16-34 |
560 |
Structure picture
If you have any enquiry about quotation or cooperation,please feel free to email us at info@chlgvalve.com or use the following enquiry form. Our sales representative will contact you within 24 hours. Thank you for your interest in our products.