
H44H, H44Y type PN16 ~ PN250 swing check valve for pressure 1.6 ~ 25MPa working temperature -29 ~ +550 ℃ petroleum, chemical, pharmaceutical, fertilizer, power industry and other conditions of the pipeline, the applicable medium is Water, oil, steam, acidic medium and so on.
Product Usage
H44H, H44Y type PN16 ~ PN250 swing check valve for pressure 1.6 ~ 25MPa working temperature -29 ~ +550 ℃ petroleum, chemical, pharmaceutical, fertilizer, power industry and other conditions of the pipeline, the applicable medium is Water, oil, steam, acidic medium and so on.
Features
H44H, H44Y Swing Check Valve is automatically opened and closed by the force generated by the flow of medium itself in the pipeline, which belongs to an automatic valve. Check valve for piping systems, its main role is to prevent media backflow, to prevent the pump and its drive motor reversal, as well as the container media release. Check valves can also be used on lines where the pressure may rise to a level above the pressure of the main system auxiliary system.
Performance parameters
|
model |
H44H-16C~250 |
H44W-16P~250 |
|
|
Work pressure(MPa) |
1.6~25 |
||
|
proper temperature(℃) |
≤425 |
≤550 |
|
|
Suitable media |
Water, steam, oil |
Weak corrosive medium |
|
|
material |
Body, bonnet, disc |
Carbon steel |
Chrome nickel-titanium stainless steel |
|
Sealing surface |
Carbon steel surfacing iron-based alloys |
Body sealed |
|
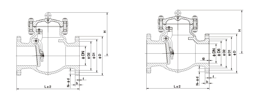
The main shape and connection dimensions
|
Nominal diameterDN |
The main dimensions and connection dimensions |
||||||
|
L |
D |
D1 |
D2 |
b |
Z-d |
H |
|
|
H44H-16C H44W-16C H44W-16P H44W-16R H44W-16I |
|||||||
|
25 |
160 |
115 |
85 |
65 |
16 |
4-14 |
100 |
|
32 |
180 |
135 |
100 |
78 |
16 |
4-18 |
105 |
|
40 |
200 |
145 |
100 |
85 |
16 |
4-18 |
115 |
|
50 |
230 |
160 |
125 |
100 |
16 |
4-18 |
135 |
|
65 |
290 |
180 |
145 |
120 |
18 |
4-18 |
142 |
|
80 |
310 |
195 |
160 |
135 |
20 |
8-18 |
165 |
|
100 |
350 |
215 |
180 |
155 |
20 |
8-18 |
180 |
|
125 |
400 |
245 |
210 |
185 |
22 |
8-18 |
210 |
|
150 |
480 |
280 |
240 |
210 |
24 |
8-23 |
233 |
|
200 |
500 |
335 |
295 |
265 |
26 |
12-23 |
304 |
|
250 |
550 |
405 |
355 |
320 |
30 |
12-25 |
348 |
|
300 |
650 |
460 |
410 |
375 |
30 |
12-25 |
390 |
|
350 |
750 |
520 |
470 |
435 |
34 |
16-25 |
430 |
|
400 |
850 |
580 |
525 |
485 |
36 |
16-30 |
468 |
|
H44H-25 H44W-25 H44W-25P H44W-25R H44W-25I |
|||||||
|
25 |
160 |
115 |
85 |
65 |
16 |
4-14 |
100 |
|
32 |
180 |
135 |
100 |
78 |
16 |
4-18 |
105 |
|
40 |
200 |
145 |
110 |
85 |
16 |
4-18 |
115 |
|
50 |
230 |
160 |
125 |
100 |
20 |
4-18 |
160 |
|
65 |
290 |
180 |
145 |
120 |
22 |
8-18 |
175 |
|
80 |
310 |
195 |
160 |
135 |
22 |
8-18 |
185 |
|
100 |
350 |
230 |
190 |
160 |
24 |
8-23 |
220 |
|
125 |
400 |
270 |
220 |
188 |
28 |
8-25 |
248 |
|
150 |
480 |
300 |
250 |
218 |
30 |
8-25 |
276 |
|
200 |
550 |
360 |
310 |
278 |
34 |
12-25 |
350 |
|
250 |
650 |
425 |
370 |
332 |
36 |
12-30 |
410 |
|
300 |
750 |
485 |
430 |
390 |
40 |
16-30 |
430 |
|
350 |
850 |
550 |
490 |
448 |
44 |
16-34 |
518 |
|
400 |
950 |
610 |
550 |
505 |
48 |
16-34 |
560 |
Structure picture
If you have any enquiry about quotation or cooperation,please feel free to email us at info@chlgvalve.com or use the following enquiry form. Our sales representative will contact you within 24 hours. Thank you for your interest in our products.