
HH44X, HH44T, HH44H type micro-resistance slow closing check valve for water supply and drainage pipe, installed at the pump outlet to prevent media countercurrent and eliminate destructive water hammer, and can effectively reduce the valve to close the water hammer pressure to protect the tube Network safe operation.
Product Usage
HH44X, HH44T, HH44H type micro-resistance slow closing check valve for water supply and drainage pipe, installed at the pump outlet to prevent media countercurrent and eliminate destructive water hammer, and can effectively reduce the valve to close the water hammer pressure to protect the tube Network safe operation.
Features
The micro-resistance slow closing check valve has the advantages of light flap, large opening, remarkable energy-saving effect, small fluid resistance, novel design of water hammer elimination mechanism, stable and reliable sealing performance, wear resistance, long service life, stable operation and no vibration , No noise and other characteristics.
Performance parameters
|
model |
HH44T-10~25 |
HH44X-10~25 |
HH44H-10~25 |
|
|
Work pressure(MPa) |
1.0~2.5 |
|||
|
proper temperature(℃) |
≤80 |
|||
|
Suitable media |
water |
|||
|
material |
Body, bonnet |
Gray cast iron, carbon steel |
||
|
Disc |
Rubber assembly |
|||
|
Valve shaft |
stainless steel |
|||
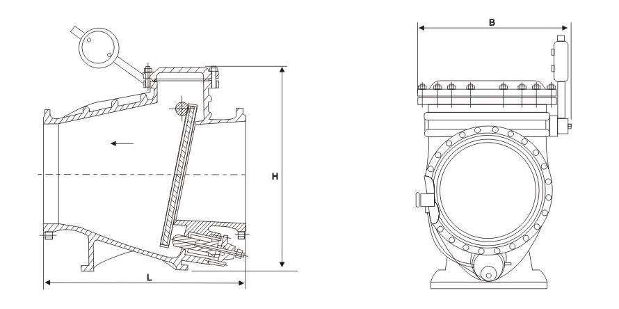
The main shape and connection dimensions
|
Nominal diameter |
The main shape and connection dimensions |
||
|
L |
W |
H |
|
|
HH44T-10 HH44X-10 H44H-10C HH44T-16 HH44X-16 HH44H-16C HH44T-25 HH44X-25 HH44H-25 |
|||
|
50 |
230 |
270 |
300 |
|
65 |
290 |
290 |
320 |
|
80 |
310 |
300 |
354 |
|
100 |
350 |
320 |
350 |
|
125 |
400 |
340 |
380 |
|
150 |
480 |
410 |
500 |
|
200 |
500 |
450 |
580 |
|
250 |
600 |
550 |
670 |
|
300 |
700 |
580 |
730 |
|
350 |
800 |
630 |
820 |
|
400 |
900 |
700 |
920 |
|
450 |
1000 |
800 |
950 |
|
500 |
1100 |
900 |
1100 |
|
600 |
1300 |
990 |
1200 |
|
700 |
1400 |
1120 |
1550 |
|
800 |
1500 |
1300 |
1700 |
Structure picture
If you have any enquiry about quotation or cooperation,please feel free to email us at info@chlgvalve.com or use the following enquiry form. Our sales representative will contact you within 24 hours. Thank you for your interest in our products.